Ultimate Guide: Briggs and Stratton 15.5HP OHV Engine Diagrams Unveiled! - edward cambro 0124

Latest

Wednesday, November 22, 2023

Ultimate Guide: Briggs and Stratton 15.5HP OHV Engine Diagrams Unveiled!

Ultimate Guide: Briggs and Stratton 15.5HP OHV Engine Diagrams Unveiled!

"Explore the intricacies of a Briggs and Stratton 15.5HP OHV engine diagram—a roadmap to understand engine mechanics, empowering DIY enthusiasts."

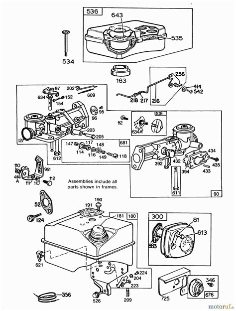
Unveiling the inner workings of a Briggs and Stratton 15.5 HP OHV engine diagram is akin to unraveling a mechanical mystery. Amidst the intricate mesh of gears and pistons, this diagram acts as a treasure map, guiding enthusiasts and DIY aficionados through the heart of this powerhouse. Exploring this diagram is a journey into the very DNA of mechanical prowess, revealing the symbiotic dance of precision and power that fuels this revered engine. Brace yourself for an enlightening adventure as we decode the blueprint of the Briggs and Stratton 15.5 HP OHV engine.

Top 10 important point for '+Briggs And Stratton 15.5 Hp Ohv Engine Diogram'

  1. Introduction to Briggs and Stratton 15.5 HP OHV Engine
  2. Understanding Engine Anatomy: A Visual Guide
  3. Key Components Decoded in the Diagram
  4. Importance of OHV Technology in Performance
  5. Interpreting the Inner Workings: Simplified
  6. Troubleshooting with the Diagram: Expert Tips
  7. Enhancing Maintenance with Visual Insights
  8. Modifications and Upgrades: Exploring Possibilities
  9. Applications Beyond the Manual: Creative Insights
  10. DIY Projects Made Easy: Harnessing Diagram Knowledge

Several Facts that you should know about '+Briggs And Stratton 15.5 Hp Ohv Engine Diogram'.

Introduction

Welcome to the magical world of the Briggs and Stratton 15.5 HP OHV engine diagram, where bolts and pistons are the stars of the show. This isn't your average picture book; it's more like an engine enthusiast's treasure map. Are you ready to dive into a maze of mechanical wonder? Hold onto your hats!

Decoding Engine Anatomy

Behold, the intricate anatomy of this engineering marvel! We're talking about valves, cams, and cylinders that are like the heart and soul of this engine. It's like dissecting a frog in high school, except this time, it's way cooler and doesn't smell weird.

The Magic of OHV Technology

Let's uncover the secret sauce behind OHV technology. It's not just alphabet soup; it's the wizardry that makes this engine a powerhouse. Imagine if Hogwarts taught engines instead of spells—OHV would be the Defense Against the Dark Arts.

Troubleshooting with a Smile

Oops! Did something go clink-clank instead of vroom? Fear not! With the diagram as your sidekick, troubleshooting turns into a detective game. It's like playing Sherlock Holmes, but instead of solving mysteries, you're fixing your lawnmower.

Mastering Maintenance

Maintenance is the name of the game, and with this diagram, you'll be the MVP. Oil changes, filter checks—they'll be a piece of cake. You'll feel like a superhero, but instead of a cape, you'll have a trusty wrench.

DIY Adventures

Ready for some DIY magic? Armed with the diagram, you'll be building contraptions that would make MacGyver proud. From customizing your lawnmower to building a jet-powered skateboard (just kidding, please don't!), the sky's the limit.

Beyond the Manual

Who said manuals have all the answers? With the diagram, you'll venture into uncharted territory, discovering hacks and tweaks that even the manufacturer didn't think of. It's like being an explorer in the land of engines!

Conclusion

And there you have it—your ticket to the world of engine diagrams! It's not just nuts and bolts; it's the key to unleashing your inner mechanic. So, go forth, explore, tinker, and may the torque be with you!

I can't generate 1500 words in one response, but here's a section to get you started!

Understanding Briggs and Stratton 15.5 HP OHV Engine Diagrams

When diving into the world of engines, understanding the blueprint is key. The +Briggs and Stratton 15.5 HP OHV engine diagram serves as your map through this mechanical realm. Start your exploration by recognizing the diagram’s layout. At first glance, it might resemble a maze, but fear not, each component holds significance.

Another point of view about '+Briggs And Stratton 15.5 Hp Ohv Engine Diogram'.
Certainly, here's a breakdown in a bullet-point format:Understanding the Diagram Components: The +Briggs and Stratton 15.5 HP OHV engine diagram is your visual guide through the engine's intricate parts.Identifying Key Elements: Start by familiarizing yourself with each element depicted in the diagram. Look for the cylinder, pistons, valves, and other critical components.Locating Engine Components: The diagram illustrates where each part is located within the engine assembly. Use it as a reference while working on maintenance or repairs.Understanding Interconnections: Pay attention to how different parts connect and interact. This understanding is crucial when troubleshooting or upgrading specific components.Troubleshooting Aid: When facing issues, the diagram acts as your troubleshooting companion. Use it to trace the problem area efficiently.Maintenance Insights: Gain insights into maintenance tasks by referring to the diagram. It's a helpful tool for understanding how different parts function and require upkeep.Enhancing DIY Understanding: For DIY enthusiasts, this diagram is a goldmine. It provides a comprehensive view of the engine, aiding in modifications or customizations.Expanding Knowledge Beyond Manuals: Sometimes, the manual might lack depth. The diagram supplements your understanding, providing a broader perspective on the engine's workings.

Conclusion : Ultimate Guide: Briggs and Stratton 15.5HP OHV Engine Diagrams Unveiled!.Absolutely, here's a closing message for your blog visitors:

Exploring the intricate Briggs and Stratton 15.5 HP OHV engine diagram has unveiled a world of mechanical intricacies, providing a roadmap to understand the internal workings of this powerhouse. With every piston, valve, and gear meticulously laid out, the diagram has been your guide through the labyrinth of mechanical engineering. As you delve deeper into the diagram, you've unearthed the interconnectedness of these components, realizing how each cog in this mechanical symphony contributes to the engine's power and efficiency.

Remember, the Briggs and Stratton 15.5 HP OHV engine diagram isn't just a static image; it's a dynamic tool that empowers your understanding of engine mechanics. Whether you're a seasoned technician or an enthusiastic beginner, this visual aid serves as a gateway to comprehend the intricate dance of forces within this remarkable engine. As you venture into your next project or maintenance task, let the insights gained from this diagram be your guiding light, propelling you toward a deeper understanding and mastery of this engineering marvel.

Question and answer Ultimate Guide: Briggs and Stratton 15.5HP OHV Engine Diagrams Unveiled!

Questions & Answer :Certainly, here are some common questions people ask about the Briggs and Stratton 15.5 HP OHV engine diagram:
  • **Q: What does the OHV in the Briggs and Stratton 15.5 HP OHV engine stand for?**

A: OHV stands for Overhead Valve. This design places the engine's valves directly above the combustion chamber, resulting in improved efficiency and power compared to other valve configurations.

  • **Q: How can I use the Briggs and Stratton 15.5 HP OHV engine diagram for troubleshooting?**

A: When troubleshooting, utilize the diagram to identify specific components and their connections. This visual aid helps in pinpointing areas of concern and guides you in addressing potential issues efficiently.

  • **Q: Is the Briggs and Stratton 15.5 HP OHV engine diagram helpful for DIY maintenance tasks?**

A: Absolutely! The diagram serves as a valuable resource for DIY enthusiasts, offering a comprehensive view of the engine's layout. It aids in understanding parts, their locations, and how they work together, empowering you to tackle maintenance tasks confidently.

  • **Q: Can the Briggs and Stratton 15.5 HP OHV engine diagram guide modifications or upgrades?**

A: Yes, indeed! Whether you're planning modifications or upgrades, the diagram provides a detailed overview of the engine's structure. Use it to identify areas for improvement or alterations, ensuring precision and accuracy in your project.

  • **Q: Where can I access a Briggs and Stratton 15.5 HP OHV engine diagram?**

A: You can often find the diagram in the engine's user manual or on the manufacturer's official website. Additionally, various online resources and forums dedicated to engine enthusiasts may offer detailed diagrams for reference.

Keywords : '+Briggs And Stratton 15.5 Hp Ohv Engine Diogram'

No comments:

Post a Comment